膜片壓力表由測量系統(包括法蘭接頭、波紋膜片)、傳動指示機構(包括連桿、齒輪傳動機構、指針和度盤)和外殼(包括表殼和罩圈)等組成。膜片壓力表外殼為防濺結構,具有較好的密性,故能保護其內部機構免受污穢浸入。作用原理是基于彈性元件(測量系統上膜片)變形。膜片壓力表在被測介質的壓力作用下,迫使膜片產生相應的彈性變形---位移,借助連桿組經傳動機構的傳動并予放大,由固定于齒輪上的指針逐將被測值在度盤上指示出來。
膜片壓力表適用于測量具有一定腐蝕性、非凝固或非結晶的各種流體介質的壓力或負壓。膜片壓力表耐腐蝕性能取決于膜片材料。
主要技術指示:
精確度等級:2.5
使用環境溫度:-40~+70℃;相對濕度不大于90%
溫度影響:使用溫度偏離20±5℃時,其溫度附加誤差不大于0.04%/℃
工作位置:垂直安裝。
外殼防護等級:IP64


◆膜片壓力表導壓系統及外殼等主要零件的材質: |
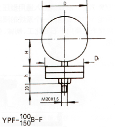
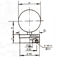
型號 | 名稱 | 導壓系統 | 表殼材料 | 膜片 | 法蘭接頭 | 密封墊圈 | YPF-100A 150A | 膜片壓力表 | Cr15Ni7Mo (PH15-7Mo) 316H(≤25KPa) | 1Cr18Ni9 | 丁腈橡膠 | 鑄鋁 | YPF-100B 150B | 不銹鋼膜片壓力表 | 聚四氟乙烯 | 1Cr18Ni9 | YPF-100B-F 150B-F | 法蘭不銹鋼膜片壓力表 |
|
| YPF-100A | YPF-100B | YPF-100B | YPF-150A | YPF-150B | YPF-150B-F | D | φ100 | φ110 | φ110 | φ150 | φ160 | φ160 | H | 66 | 66 | 66 | 91 | 91 | 91 | h | 32 | 32 | 36 | 32 | 32 | 36 |
|
膜片壓力表標度范圍、外形尺寸及重量: |
型號 | 標度范圍 | 承壓部 寸D1 | 表殼 外徑D | 重量kg | YPF-100A | 0~0.6、0~0.1、0~0.16、0~0.25、0~0.4 0~0.6、0~0.1、0~1.6、0~2.5、-0.1~0 -0.1~0.06、-0.1~0.15、-0.1~0.3、-0.1~0.5 -0.1~0.9、-0.1~1.5、-0.1~2.4MPa | φ85 | φ100 | 1.6 | YPF-100B YPF-100B-F | φ115 | YPF-150A | φ85 | φ150 | 1.8 | YPF-150B YPF -150B-F | φ115 | YPF-100B YPF-100B-F | 0~1.6、0~2.5、0~4、0~6、0~10、 0~16、0~25、0~40* -1.6~0、-2.5~0、-4~0、-6~0、-10~0 -16~0、-25~0、-40~0* -0.8~0.8、-1.2~1.2、-2~2、-3~3、-5~5、 -8~8、-12~12、-20~20*kPa
| φ160 | φ100 | 2.9 | YPF-150B YPF-150B-F | φ160 | φ150 | 3.2 |
|
*0~40、-40~0、±20KPa規格承壓部尺寸D1為φ85。 |
